极迅科技

智控详情

【41】击剑机关的使用方法

浏览数:239 
文章附图

击剑机关の使用方法


>>产品演示-点这里<<


>>安装指导-点这里<<

击剑机关音效下载链接:

http://pan.baidu.com/s/1c5oWns

密码: ytu5

击剑机关安装草图

玩法说明-金属版

N个感应器对应N盏指示灯,当指示灯亮起时,玩家需要在规定的时间内(1秒)用宝剑(金属材质,自配)触碰感应器,击中后计1分;没有击中则积分清零;连续击中M分后可以触发机关(M:5~30,支持用户配置),系统播放音频,同时打开电磁锁;成功触发后等待30秒,系统自动复位;支持用户更改游戏音频,支持外接音箱;

版本介绍

击剑机关分为:磁力感应版和金属感应版2个版本,区别在于触发方式不同:磁力感应版本的通过带磁力的物体靠近感应器触发;金属感应版本的通过金属材质的物体靠近感应器触发,其余操作均相同;

密码配置

1.给控制器断电;

2.按住控制器上的红色按钮不松手给控制器上电;

3.根据语音提示进行松手,配置难度;

4.难度总共分为6个等级(5,10,15,20,25,30)

5.密码配置完成,等待10s密码自动保存;

连线说明

1. 控制器 和 8路开关模块通过一分二转接线相连,共用一个12V电源;

2. 控制器上的红黑线输出12V,直接接12V的电磁锁,红线接电磁锁的红线,黑线接电磁锁的黑线(电磁锁无需外接电源);

3. 8路开关模块只有前N个开关有效,每路开关均输出12V,直接接12V的指示灯(指示灯不区分正负极,哪个接正,哪个接负都可以);

4. 使用时谨慎操作,如操作不当造成的设备损坏需自行承担损失!

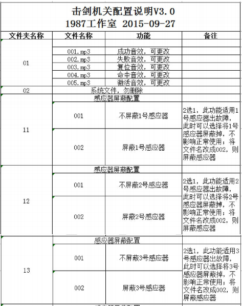
音频修改注意事项

Step1:取出控制器上的TF卡;

Step2:链接电脑,打开TF卡,将里面的内容做一下备份;

Step3:替换原有音频即可,注意以下3点:

1) 文件路径不能变;

2) 替换的音频必须是MP3格式的,如果不是需要通过软件转换成MP3格式,直接更改后缀无效;

3) 文件名必须跟原文件名一致(如原文件名是001.mp3,那么替换的文件必须也改成001.mp3);

配置难度:

1.给控制器断电;

2.按住控制器上的红色按钮不动手,给控制器上电;

3.根据语音提示松手进行难度配置,难度共6个等级(5,10,15,20,25,30);

4.配置完成后等待10S,密码自动保存;

配置难度:

1.给控制器断电;

2.按住控制器上的红色按钮不动手,给控制器上电;

3.根据语音提示松手进行难度配置,难度共6个等级(5,10,15,20,25,30);

4.配置完成后等待10S,密码自动保存;

物品清单

控制器           1个

8路开关模块   1个

感应器    N个

指示灯           N盏

12V电源        1个

一分二转接线 1根

【击剑机关FAQ】

1.

问:出厂的指示灯是连好的吗?

答:出厂的指示灯和继电器不是连接好的哦,需要您自己配好导线安装哦!

2.

问:继电器怎么接指示灯呢?

答:击剑机关出厂的时候不给导线,需要客户自己用导线安装(随便什么导线都行,能接上就行,不区分正负极);指示灯没有正负极;接到8个继电器上的绿色2位端子上即可;

3.

问:击剑机关不接指示灯可以玩吗?

答:不可以哦,当游戏开始的时候,玩家需要击中指示灯对应的金属感应器才可以累积1分哦;指示灯可以引导玩家在游戏中去击中哪个感应器的,去掉后游戏就没有办法正常进行了;

4.

问:击剑机关是怎么复位的?

答:成功触发后等待30秒,系统自动复位;

5.

问:支持更改击中的次数吗?

答:支持的,难度总共分为6个等级(5,10,15,20,25,30),具体配置方法详见使用手册;

6.

问:道具都包含什么呢?指示灯包含吗?金属包含吗?

答:道具包含:①控制器 1个,②8路开关模块 1个,③感应器 N个,④指示灯 N盏,⑤12V电源适配器1个,⑥一分二转接头 1根

7.

问:我如果配置的是击中30次才能开锁;那玩家开始击中29次,第30次没有击中,之前击中的次数会清零吗

答:玩家需要在规定的时间内(1秒)用宝剑(金属材质,自配)触碰感应器,击中后计1分;没有击中则积分清零;连续击中M分后才可以触发机关

8.

问:击剑机关的难度可调节吗?可以配置成功击中28次开锁吗 ?

答:不可以配置击中28次开锁哦,击剑机关的难度总共分为6个等级(5,10,15,20,25,30);具体的配置方式详见使用手册!

9.

问:击剑机关的有音效版指什么呢?击中感应器有音效吗?如果没有击中会有音效吗?道具有无音效的版本吗?

答:击剑机关的音效是指:①成功触发的音效;②失败音效;③成功触发音效,④道具激活音效;⑤复位音效;都是支持您自己更改的,具体更改方法详见使用手册;

10.

问:安装的时候怎么知道哪个金属感应器对应的是哪盏指示灯呢?

答:上电后,提示音播放完之前,用一个金属物质去分别触碰金属感应器,就可以分别点亮对应的指示灯;这个速度要求非常快!

11.

问:击剑机关的一分二转接头是干什么的,可不可以继电器和控制器分别接一个12V电源适配器供电呢?

答:①继电器和控制器可以分别接一个12V电源适配器供电;②控制器 和 8路开关模块通过一分二转接线相连,共用一个12V电源;

12

问:可不可以利用一分二转接头给两个道具供电呢?这样能节省下不少12V电源适配器

答:不建议,电源功率不够;一个道具最好配1个电源

13.

问:指示灯亮的时间可调节吗?

答:指示灯亮的时间可以通过控制器内TF卡调节;亮灯时间可以调节成 1秒,2秒,3秒;具体配置方式详见使用手册;

14

问:如果我买的是6路的,那后期可以拔掉多余的金属感应器,变成5路使用吗?

答:不可以随便拔掉金属感应器变成其他路数使用哦;您可以按照使用手册中的操作通过更改TF卡中的音频名称来屏蔽掉N个感应器;屏蔽掉的感应器可以藏起来不使用即可;